An iconic reel design is the Hardy Perfect. I have never had one in hand to photograph but I did borrow a Hardy Bougle from a friend, and it is the same thing except that the frame is raised pillar instead of round.

What is unusual here is the winding plate that carries the knob, the ratchet, and a spindle that reaches through a frame mounted bushing to drive the spool.


Another notable feature in this design is the ball thrust bearing. I have never really understood the reason for this bearing; seems that if you wanted a ball bearing for axial forces, you would want them for radial forces also. I have never used ball bearings, too many tiny moving parts.
What is the real advantage of this design? I don’t know, but I do observe that one face of the spool is accessible for “palming”, to create additional drag.
Here is my take on a Perfect reel.

Because this reel is left hand wind, I had to make left hand threads on the end of the spindle and in the bronze spool insert. Otherwise, line tension might unscrew the spool.

Instead of the ball thrust bearing, I have a plain bearing of Delrin (the ratchet face) running on bronze.

If the reel is palmed, then axial thrust is in the direction that the thrust assembly does not support. On a Hardy reel, this load is taken by a small area of spool aluminum running on the end of the frame bushing. Here, the bronze spool insert runs against the bushing.
This reel is cosmetically defective due to failure of my anodizing process. There are stains embedded in the oxide layer. I think that the aluminum alloy may not be 6061, which is a good anodizer. But it seems quite unlikely that something else would have been supplied.

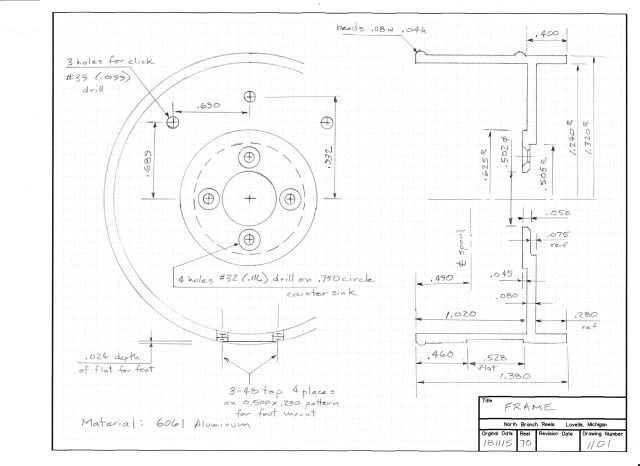
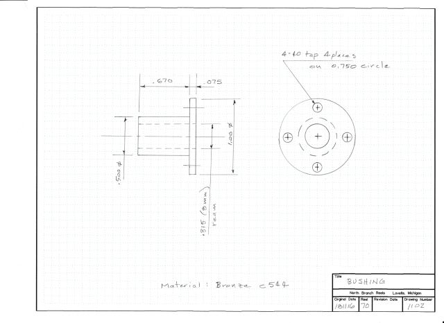
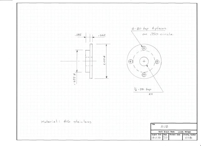
I did not make drawings of all the parts, but here is what I have.

The pawl is drawing 1090 : pawl. The ratchet is 36 teeth, 36DP 20 degree.
Click hardware is drawing 1091 : hardware.
Finally, this sketch shows overall arrangement and dimensions.

Update 18 Aug 2020: The cosmetic defect in the anodizing must be due to the aluminum alloy. I don’t think it is 6061, which is well known as a good anodizer. I have never knowingly ordered anything but 6061 in this large diameter.






wow this is the best design ever…. We are comfortably retired in a Cottage in Aurora Colorado.. I made the alum reel for son in LAW.. brown trout fisher SOUTH PLATTE fishing club.. our community is ACTIVE.plenty of things to do places to go.. I had wondered about another REEL BUILDING class for seniors and youngsters.. we have lots of neighborhood pools and conds. Mant retirees are safe here but not exactly mobile. Plenty of room for classes, movies and other stuff. Tell me th cost of this new KIT? I changed wood turning to SHERLINE METAL working. Plenty of time and still needing stuff to do. Building a scale model HONDA six cylinder TT bike model.. Had to build mag lenses and smaller tools.. this is the SUMER I get back to funner stuff. Thanks so much for he time and money you put in your REEL KITS… I don’t fidh hunt high country anymore. but getting a 2020 COLO fish small game license and believe it or not I have a valid COLO drivers licernse.. so could theoretically get outta Dodeg in a hurry. every seniors fear.. stuck at home. Glad to her=ar from you.. Long life and HEALTH to you and yours..
Gordon,
This is not a kit. If you have built a reel from a kit, it is likely a product from Michael Hackney. You can see his kits at eclecticangler.com. Look at the “About Us” page; he may be willing to conduct a class at your community. I can’t speak for Michael, but he may be wary of air travel during this summer of COVID-19. Since you are familiar with the process, you might consider ordering the kits from him and conducting the class yourself.
Regards, Dave
I have been putting together a small machining area in my garage. I have been an avid woodworker for many years but have always wanted to get much more knowledgeable with precision machining. I bought your reel plans several years ago and periodically get them out and dream about it. I am at a point in life of slowing down other activities and starting this journey. I spent the last couple of months rebuilding a small cnc mill turn. I enjoy building tools and fixtures more than other stuff. I think it will be fun trying to build a reel with it. Much to learn about machining techniques.
I just discovered your blog and really enjoyed reading through it. Thanks for putting it all out for us to enjoy.
Please put me on your lists.