The clicker has taken me more development time than any other reel feature, except possibly for the aluminum anodization process. I started out thinking that the pawl should be made from steel, since that is what I observed on commercial reels. I bought a “test kiln” so I could quench and temper.

Then I made a life test fixture, using a gearmotor.

I soon learned that modern plastics such as Delrin are much more durable than steel, in this application. I think it has to do with impact absorption, or “toughness”. Blog reference: 23 Aug 2011.
This is the present pawl configuration, a symmetrical pawl and an asymmetrical spring on symmetrical mounting posts.

Prior to this, I had made either the pawl or the spring posts asymmetrical. This recent configuration is the easiest for changing from left hand to right hand wind.
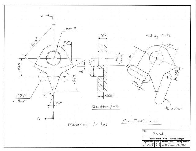
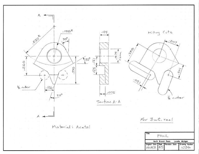
Here are the drawings for two sizes of pawl.


Notice the 20 degree angle on the flanks of the pawl tip. This is the pressure angle of the mating gear. It is not important when the pawl is clicking along in one direction, but it does help the pawl make a smooth reversal of direction.
Blog post on pawl fabrication: 22 Jan 2014.
Pingback: A “Perfect” Reel Configuration | North Branch Reels