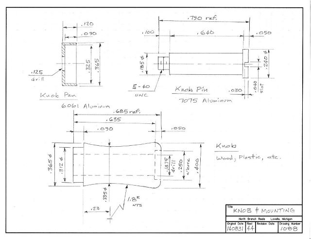
Here is the knob and its mounting hardware. The purpose of the pan is to keep leaders from getting wound around the pin, under the knob.

The 5-40 thread on the pin has to be cut as close to the shoulder as possible – use a hex repair die as explained for the Spindle.
I have been making knobs from Ultem, a polyetherimide (PEI). It is available as plain resin (translucent) or glass filled (opaque).

My blog post of 11 May 2015 considers cutting the 1.8 inch radius.