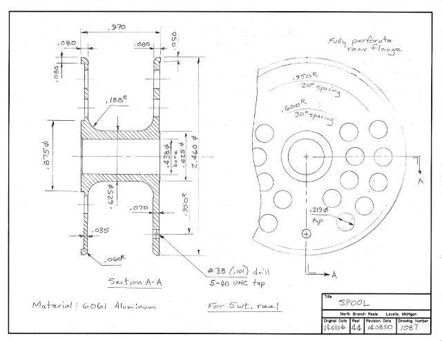
Recently I have been making spools from a single piece of aluminum, even though it takes a lot of time to remove all the waste material.

An advantage of using aluminum is its light weight, and the most significant aspect of this is low rotating inertia. This directly affects the click; pawl-to-ratchet forces are reduced. (The purpose of the click being to prevent spool overrun, not to fight fish.)
A disadvantage of aluminum is that you probably should anodize. This blog has many articles on anodizing, use the Categories list at right to locate. The anodizing cell can be as small as 32 fluid ounces if you are careful about cooling and agitation.
It is certainly practical to piece together a spool and the waste will be much less. Good adhesives are available (see 27 Aug 2010). You need a fixture to be sure that it goes together square (see 23 Nov 2011).
So here are the drawings for spools of two sizes.


I have omitted some of the porting on the face to serve as a counterweight for the knob.
Past blog posts on the spool are 13 Feb 2015 and 1 June 2013.
