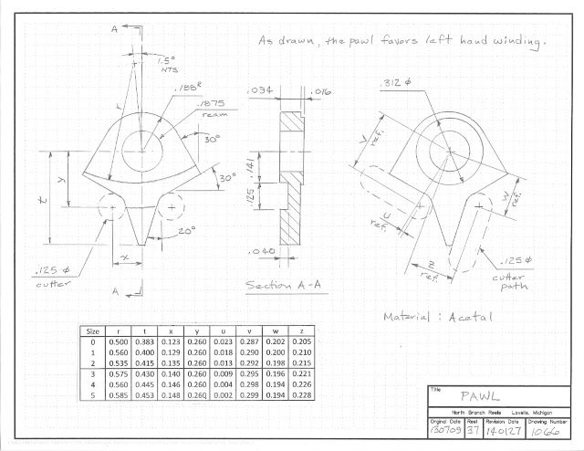
The acetal pawl is slightly asymmetric so that line payout is at higher resistance than retrieval.

In earlier reel designs I put a spacing washer between the pawl and backplate, but this little washer was difficult to make. Here the spacer is integral to the pawl.

-
Recent Posts
Categories
Archives
Links
Meta
-
Join 105 other subscribers