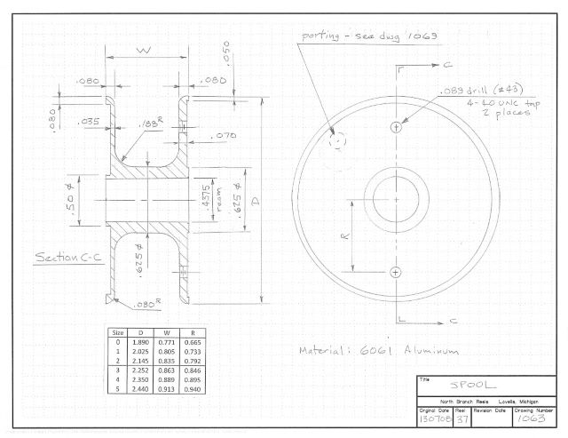
On fixed spindle reels like this, the knob and its counterweight attach directly to one face of the spool. So I have made the face flange thick enough to accept 4-40 screw threads.

A step-by-step pictorial on making this part was posted here 1 June 2013, “One Piece Spool”. I used the mill to remove most of the material from between the flanges.

The porting hole pattern is documented on a separate drawing, which also considers the frame.

I make the port holes by plunging with a 3 flute end mill.
-
Recent Posts
Categories
Archives
Links
Meta
-
Join 105 other subscribers