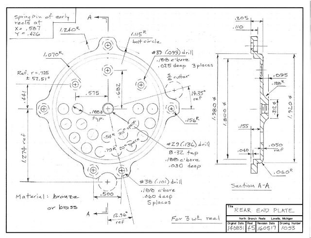
The rear end plate has many details.

I have been making this from C544 bronze rod, but c360 brass flat bar could also be used.
For the 3 weight reel, the ratchet gear is too small diameter to allow a raised thrust pad, as on the 5 weight. So the extra material for spindle threads is on the outside of the plate.

For my most recent reels, I have taken liberty with the lightening hole pattern in order to make room for engraving.

The earlier blog posts cited for the Front End Ring are also relevant for this part.